
- Uždengimo galvutės: 2 vnt servo-moto vairavimas
- Įtampa: 220V, 50/60HZ;
- Galia: 3.0Kw
- Oro slėgis: 0,5–0,7 Mpa
- Amperas: 8,5A
- Greitis: 40-45 / min (pritaikyta pagal stiklainių formą ir dydį)
- Tinkamas gaminio skersmuo: φ28-φ125 mm dangteliai (nestandartiniai pritaikyti)
- Lieknos pralaidumo greitis: ≥ 99,5% (priklauso nuo dangtelio ir buteliuko klaidos)
- Mašinos dydis: 3300 * 1150 mm * 1908 mm
- Svoris: 450kg
Prieš įjungdami mašinos maitinimą. Atidžiai perskaitykite šį vadovą dėl saugos ir teisingo mašinos naudojimo. Siekiant išvengti nelaimingų atsitikimų su žmonėmis ir sumažinti mašinos gedimų dažnumą.
Jei gaminiai yra ėsdinantys, stenkitės, kad ėsdantys objektai neliestų ar neaptaškytų pačios mašinos ir personalo.
- Venkite naudoti mašiną vietose, kuriose gali būti vibracijos ar susidūrimo.
- Kai mašina veikia, personalo kūnas negali liesti judančių dalių.
- Mašinos reikia vengti pernelyg drėgnose vietose. Ir įjunkite jį į maitinimo šaltinį, tinkamai įžemindami įžeminimo laidą, kad išvengtumėte nelaimingo atsitikimo.
- Operatorius turi palaikyti normalią fizinę ir psichinę būseną. Jei vartojate alkoholį, migdomuosius vaistus ar kitus vaistus, kurie kenkia jūsų psichinei būklei, nustokite valdyti įrenginį.
- Operatorius turi dėvėti tinkamus drabužius, kad išvengtų sužalojimų dėl drabužių įsiskverbimo į riedėjimo dalis, ir nedėti ant mašinos jokių pašalinių daiktų.
- Jei naudojimo metu atsiranda triukšmas ar kiti sutrikimai, nedelsdami sustokite ir patikrinkite. Neinžinieriai, prašome neperduoti mašinos dalių savavališkai.
- Reguliari (kartą/savaitę) techninė priežiūra ir priežiūra, vengiant vandens ar bet kokio skysčio purslų ir elektroninės valdymo dėžutės ar kitų elektrinių komponentų valant mašiną.
- Dirbkite pagal įprastas darbo procedūras ir laikykite mašinos paviršių švarų ir tvarkingą.
Pakavimo procese dangtelio mašina naudojama visų rūšių kosmetikos, medicinos, veterinarijos, pesticidų, tepalų ir kitose pramonės srityse.





Stiklainių uždarymo mašinos principas ir savybės:
- Elektrinis automatinis valdymas, jis yra stabilus;
- Su dangtelio padėties nustatymo įtaisu, užrakinto dangčio standartu, operacija yra patogi;
- Užraktas apima platų asortimentą, gali sukti įvairių formų dangtelio specifikacijas;
- Apribojimo greitis, sukimosi kalėjimas, tuo pat metu taip pat gali pagal poreikį reguliuoti atsukimo sandarumą.


Pagrindiniai kosmetikos stiklainių uždarymo mašinos parametrai:

1. Uždengimo galvutės: 2vnt servo-moto vairavimas
2. Įtampa: 220V, 50/60HZ;
3. Galia: 3.0Kw
4. Oro slėgis: 0,5--0,7Mpa
5. Amperas: 8,5A
6. Greitis: 40-45/min (pritaikyta pagal stiklainių formą ir dydį)
7. Tinkamas gaminio skersmuo: φ28–125 mm dangteliai (nestandartiniai pritaikyti)
8. Riebalų pralaidumo greitis: ≥ 99,5 % (priklauso nuo dangčio ir buteliuko klaidos)
9. Mašinos dydis: 3300*1150mm*1908mm
10. Svoris: 450kg
Pagrindinio kompiuterio dalies aprašymas


Maitinimo jungiklis: valdykite maitinimo įjungimą---išjungimą.
Maitinimo indikatorius: maitinimas įjungtas – dega žalia lemputė, maitinimas išjungtas – žalia lemputė išjungta.
Avarinis stabdymas: naudojamas mašinai nedelsiant sustabdyti arba funkcijai iš naujo nustatyti avarinio ar gedimo metu.
1. Paleiskite fotoelektrą: Mašina veikia, kai fotoelektrinis aptikimas nustato, kad yra butelis ir turi dangtelį, Patefonas gali pradėti veikti. Jei vienas iš dviejų fotoelektrinių elementų neaptinkamas, patefonas nesisuka.
2. Kilmės fotoelektrinė: Jis naudojamas pakopiniam varikliui valdyti, kad būtų galima nustatyti patefono padėtį, kad butelį būtų galima sklandžiai įkišti į dangtelį.
3. Dangtelio fotoelektra: Patikrinkite, ar dangtelis yra savo vietoje, ir fotoelektriniu būdu aptikkite, ar yra dangtelis, kurį reikia pasukti.
4. Dangtelio fotoelektra: Valdant viršutinio dangčio mašinos paleidimą ir sustabdymą, kai viršutinio dangčio mašinos dangtis surūšiuojamas į fotoelektros aptiktą padėtį, fotoelektra visada yra ryški, dangtelio mašina sustoja prie dangčio ir įdiegiamas išmanusis dangtis .
5. Užrakto dangtelio fotoelektra: Kai praeina butelis su dangteliu, aptinkamas fotoelektrinis aptikimas, o užrakto dangtelis įjungiamas pagal nustatytą delsos laiką (konkretūs parametrai koreguojami pagal konvejerio juostos greitį, kai sureguliuojama mašina).
6. Užrakto dangtelio sistema: Buteliukas su dangteliu tas pats, fotoelektrinio paleidimo delsa, delsa prie cilindrinio spaustuko buteliuko, užrakto dangtelis nuleistas, rankenos dangtelis - užsukamas dangtelis - griebtuvo atleidimas - užrakto dangtelis pakyla - spaustuko buteliukas atlaisvinamas, ir užrakto dangtelio procesas baigtas. Į spynos dangtelį, kai 1# užrakto dangtelis yra užrakto dangtelyje, įeina kitas butelis. Šiuo metu 2# spaustuko buteliuko cilindras juda, o 2# užrakto dangtelis suaktyvinamas, kad užrakintų dangtelį. (Kai dangtelis, užrakintas 2# užrakto galvute, praeina pro 1# spaustuko buteliuką, nekartokite užrakto dangtelis.

Žmogaus ir mašinos sąsajos aprašymas

Įkrovos puslapis
3.1 Įkrovos puslapyje yra anglų, kinų kalbos operacijų pasirinkimas, jei pasirinksite kinų mygtuką, įveskite šią sąsają:

Antroji sąsaja
Sustabdyti: Visos mašinos paleidimo jungiklis, palieskite šį mygtuką, mašina veikia automatiniu režimu, dar kartą palieskite šį mygtuką, mašina nustos veikti.
Bandymo vartai: Patikrinkite mašinos veikimą.
Patefono greitis: Kuo didesnis greičio parametras, tuo didesnis greitis, tuo lėtesnis greičio parametras. (Tačiau yra didžiausia riba.)
Patefono delsa: Patefono paleidimo laiko nustatymai, atsižvelgiant į patefono veikimo sklandų efektą.
Apribojimo delsa: Po patefono į nurodytą stotį, atidėkite laukimo laiką, cilindro veikimo dangtelis.
Apribojimo laikas: Laikas, reikalingas cilindro sandarinimui.
Išvestis: Užpildykite spynos dangtelio skaičiaus įrašą, patogų produkcijos skaičių. Norėdami išvalyti, paspauskite atstatymo mygtuką.
X1. X3. X14: Patikrinkite, ar fotoelektra yra darbinėje atspindžio būsenoje, lengvai matote mašinos būsenos veikimą,
Apribojimo parametras: Paspauskite šį klavišą ir įveskite šią sąsają:

Sąsaja yra parametrų puslapis, kurį reikia nustatyti kiekvienam 1 # užrakto galvutės veiksmui servo užrakto dangčio sistemoje, pagrįstas parametrų nustatymas yra naudingas mašinos stabilumui ir efektyvumo didinimui.
Grąžinti: Norėdami grįžti į antrąją sąsają, paspauskite šį mygtuką.
I/O: Paspauskite šį mygtuką, kad įeitumėte į šią sąsają:

X serijos taškai: Ar įvesties taškas, skirtas nustatyti, ar fotoelektra yra darbinės būsenos, lengva pamatyti mašinos veikimą, lengva priežiūra.
Y serijos taškai: Ar vykdomųjų komponentų išvesties taškas yra normalios būsenos grįžtamasis ryšys, taip pat galite rankiniu būdu paspausti valdymo klavišą, kad patikrintumėte, ar vykdymo komponentai yra normalūs.
Dangtelių tiekimo sistema: Gali būti stabilus ir tvarkingas pagal nurodytą dengimo kryptį.
Pasvirimo reguliavimas: pagrįstą kampą galima reguliuoti, kad būtų galima valdyti atbulinės eigos dangtelis neįlipa į skaidrę.
Dažnio keitiklio reguliavimas: kontroliuoti dangtelio greitį.


Stiklainių uždarymo įrangos priežiūra:
1. Kad užtikrintumėte saugumą, palaikykite mašiną, kai išjungtas maitinimas ir išjungtos dujos. Laikykite mašiną švarią ir tvarkingą, ant mašinos nedėkite įvairių smulkmenų, jokių smulkių gaminių, priedų, varžtų ir pan.
2. Tepimo alyva reguliariai pilama ant judančios dalies mechanizmo, kad būtų užtikrintas geras mechanizmo veikimas.
3. Reguliariai išleiskite vandenį iš oro filtro bloko ir įpilkite tepalinės alyvos, kad užtikrintumėte tinkamą cilindro naudojimą ir pailgintumėte tarnavimo laiką.
4. Reguliariai tikrinkite ir taisykite mašiną. Įvertinkite įrangos veikimo būklę pagal regėjimą ir ausis, kad įsitikintumėte, jog mašina veikia gerai.
Pastaba: Prašome naudoti ir prižiūrėti griežtai pagal instrukcijas, garantinis laikotarpis yra griežtai draudžiamas atidaryti ir išardyti, priešingu atveju žala, kurią tai sukelia kaip žmogaus sužalojimas, nemokamas remontas. Ši instrukcija gali būti keičiama be įspėjimo; Jei vis dar kyla neaiškumų dėl šios mašinos veikimo, skambinkite mums bet kuriuo metu ir pasiteiraukite
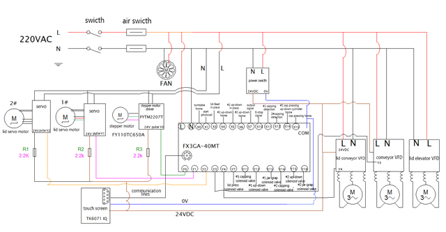
Pridedama elektros schema:

Uždaryti sandarūs dangteliai rodo stiklainių uždengimo mašinos pavyzdžius:





Ženklai: keturkampiai juodi stiklainiai dėl dangtelių gali būti subraižyti, tai yra sukurta su paėmimo sistema, kuri ištraukia stiklainių dangtelius iš padėklų ir padeda juos į uždengti paruoštą stotelę, kad būtų galima uždaryti dangtelį. Išsamus darbo principas pavaizduotas taip: Darbo procesas:
1. Rankinis dangtelių uždėjimas į dėklą (15*15 arba 10*10)

2. Padėklų įdėjimas į paruoštą paėmimo stotį
3. Robotai renka stiklainius

4. Butelių išdėstymas ir uždarymo procesas
5. Uždengtų stiklainių išėjimas











