
- Uždengimo greitis: 15-30 vnt./min
- Nominali įtampa: 110V/60Hz (JAV standartas)
- Mašinos galia: 0,8KW
- Amperas: 2,2A
- Išoriniai matmenys: 2230*1460*1600 MM (P*P*A)
- Oro slėgis: 0,7 MPa
- Svoris: apie 300 kg
Pranešimas prieš paleidžiant butelių uždarymo mašiną
1: Prieš prijungdami aparatą į elektros tinklą, įsitikinkite, kad maitinimo jungiklis yra uždarytas, ir vadovaukitės instrukcijomis.
2: Jei mašina ilgai neveikia, ją reikia nušluostyti sausu skudurėliu ir nevalyti jokiomis ėsdinančiomis valymo priemonėmis.
3: Griežtai draudžiama purkšti bet kokį skystį į mašinos elektros dėžę, kad būtų išvengta vidinių elektrinių komponentų korozijos ir trumpojo jungimo.
4: Patikrinkite pagal įrangos pakavimo sąrašo modelius, specifikacijas ir įrangos bei medžiagų kiekį, kad įsitikintumėte, jog jie atitinka projektavimo ir gaminio standartų reikalavimus ir turi atitikties sertifikatus.
5: Patikrinkite įrangos išvaizdą, kad įsitikintumėte, jog ji nėra deformuota, nepažeista ir nėra korozijos, ir ar visi velenai turi lanksčiai suktis be užsikimšimo.
6: Ši mašina veikia naudojant vienfazę 110 V kintamosios srovės įtampą, o plokščias 3 kojų maitinimo kištukas turi būti įjungtas į maitinimo lizdą su įžeminimo laidu.
Techniniai parametrai

- Uždengimo greitis: 15-30 vnt./min
- Nominali įtampa: 110V/60Hz (JAV standartas)
- Mašinos galia: 0,8KW
- Amperas: 2,2A
- Išoriniai matmenys: 2230*1460*1600 MM (P*P*A)
- Oro slėgis: 0,7 MPa
- Svoris: apie 300 kg
Uždengimo mašinos detalės:



Mašinos konstrukcijos

Optinio pluošto elektrinės akies aprašymas
Elektrinė akis buteliukams aptikti:

Kai ji veikia automatiniu režimu, šios elektrinės akies paskirtis yra aptikti įeinančius butelius.
Kai aptinkamas įeinantis butelis, „patefonas“ sukasi.
Dangtis-Pristatymo elektrinė akis

Kai ji veikia automatiniu režimu, šios elektrinės akies paskirtis yra aptikti įeinančius dangčius.
Kai aptinkamas įeinantis dangtis, pakyla „išėmimo mechanizmas“ medžiagai paimti.
Dangtis-Pristatymo elektrinė akis

Kai jis veikia automatiniu režimu: Šios elektrinės akies paskirtis yra aptikti įeinančius butelius.
Kai aptinkamas įeinantis butelis, „užrakinimo dangtelio mechanizmas“ pasuka užrakto dangtelį žemyn.
Jungiklio mygtukas ir laidų prievadas
Jutiklinis ekranas ir avarinis stabdymas

Tiekimo variklio ir dangčio vibracijos plokštės valdiklis

Vibracijos plokštės valdiklis

Vibracijos plokštės valdiklis: reguliuodami įtampą, sureguliuokite iškrovimo greitį.
Maitinimo jungiklis ir lizdai

Variklio valdiklis

Dažnio transformatorius: reguliuodami dažnio transformatoriaus mygtuką, sureguliuokite variklio greitį.
Signalizacijos ir trikčių šalinimo būdas:
1. Paspaustas avarinis stabdymas. Paspauskite avarinius stabdžius ant mašinos dangtelio ir šalia jutiklinio ekrano.
2. Išėjimas pasiekia nustatytą vertę. Nustatykite išvestį, paspauskite išvalymo mygtuką, kad išvalytumėte esamą išvestį.
3. Jei dangteliai neaptinkami ilgą laiką, patikrinkite. Patikrinkite, ar buteliuko dangtelio indukcinis pluoštas yra gerai pritvirtintas. Patikrinkite, ar dangteliai yra savo vietose, ar ne.
4. Jei buteliai neaptinkami ilgą laiką, patikrinkite. Patikrinkite, ar buteliai yra savo vietose.
Elektrinis akių reguliavimas:
Stiprintuvo struktūra

Optinio pluošto schema:

1. Optinio pluošto užrakto juosta
2. Darbinės būklės indikatorius
3. Nustatyti
4. DSC indikatoriaus lemputė
5. Skaitmeninis monitorius
6. Rankinis mygtukas
7. Prailgintas apsauginis gaubtas
8. Išplėtimo jungtis
9. Galios pasirinkimo jungiklis
10. Režimo mygtukas
11. Išvesties parinkiklis
12. Kabeliai
13. Apsauga nuo dulkių
14. Nustatykite vertę (žalia spalva)
15. Dabartinė vertė (raudona spalva)
Skaidulinio optinio nustatymo darbo procesas
- Kai elektrinė akis patenka į tarpą, raudonos srovės vertė yra 144.
- Kai elektrinė akis nukrenta ant etiketės, raudonos srovės vertė yra 4.
- Sureguliuokite nustatytą vertę", apie 1/2 vertės, kurią elektrinė akis yra ant kūno popieriaus (tarpyje tarp aptinkamų objektų) ir vertės, kurią elektrinė akis yra ant popieriaus, nustatyta vertė yra (144 4)/2=74, rankinį mygtuką sureguliuokite, kad nustatyta vertė būtų 74.
- Judinkite etiketės tarpą pirmyn ir atgal elektros akies vietoje ir raudoną „signalinę lemputę / indikatoriaus lemputę“.
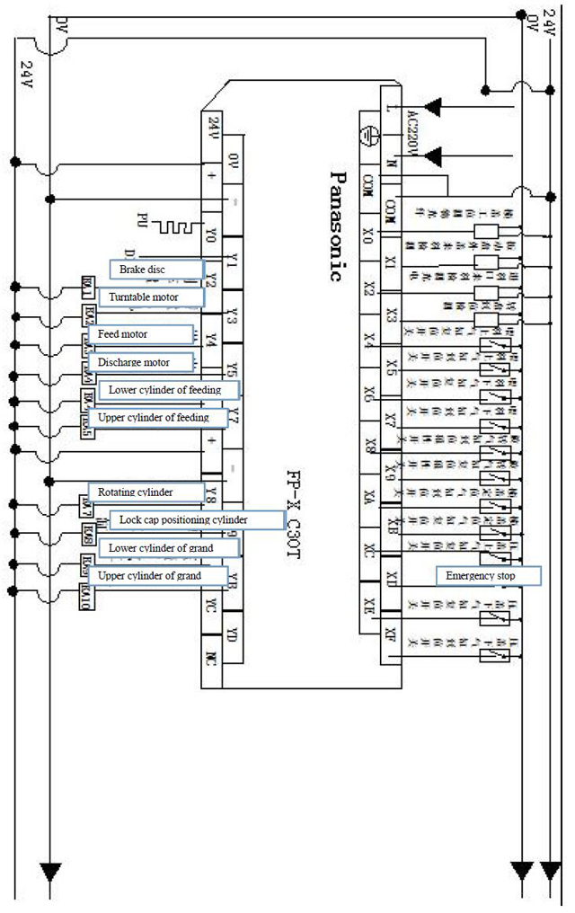
Grandinės schema



Priežiūros butelių uždarymo mašina

1. Norint pailginti mašiną ir optimizuoti mašinos funkciją, būtina patikrinti ir prižiūrėti mašiną;
- Darbinę mašiną reikia prižiūrėti kas tris mėnesius;
- Guolių ir krumpliaračio transmisijos dalis turi būti sutepta tepalu;
- Tepimas turi būti atliekamas periodiškai;
- Slydimo alyva (N68) turi būti įpilama į detalę, pavyzdžiui, judant atgal arba keliant du kartus per dieną;
- Automobilio alyva (N68) turi būti įpilta į besisukančias arba siūbuojančias dalis;
- Kas pusę mėnesio įpilkite tepalo į kumštelio angą;
- Kas mėnesį vieną kartą tepalo purkštukui įpylus tepalo;
2. Niekada nenaudokite metalinių įrankių, kad nedaužytumėte arba nebraižytumėte paviršiaus, kur yra susikaupusios dalys, pvz., komponentai ar formos.
3. Jei mašina nustoja veikti ilgam laikui, įpilkite tepalo, skirto sutepti tokias dalis kaip transmisija arba guolių dalis; Taip pat apdorokite mašiną vandeniui atsparia apsauga.
4. Niekada nedėkite ant mašinos jokių daiktų, kad nesugadintumėte mašinos.
5. Periodiškai nuvalykite dulkes iš komponentų, taip pat patikrinkite visus varžtus ir pritvirtinkite visus atsilaisvinusius varžtus.
6. Patikrinkite gnybtų varžtus, ar nėra laidų, tam tikru metu ir įsitikinkite, kad varžtas pritvirtintas;
7. Patikrinkite, ar ištemptame laidų kelyje nuo elektros dėžių nėra atsilaisvinusių stotelių; Jei dalis yra per laisva, vėl pritvirtinkite varžtą, kad išvengtumėte izoliacijos sluoksnio dilimo ar pažeidimų, dėl kurių gali atsirasti elektros nuotėkis.
8. Patikrinkite lengvai dėvisias paplotėles ir laiku pakeiskite pažeistą;









