
- VK-BR stiklinių butelių skalbimo mašina
- VK-PF alyvos pildymo mašina 4 galvutės
- VK-VC vakuuminio uždarymo mašina
- VK-RPL apvalių butelių ženklinimo mašina
Visiškai automatinė pildymo linija gali būti pritaikyta pagal kliento reikalavimus ir pirkėjo siūlomus pavyzdžius. Toliau pateikiama pagrindinė informacija apie šią visiškai automatinę maisto pramonei skirtą pildymo liniją:
Stiklinių butelių oro plovimo mašinos vakuuminės plovimo mašinos
Tai automatinė butelių plovimo mašina oru. talpa priklauso nuo oro plovimo antgalių.
Oro kompresorius perneša orą vakuuminio konteinerio viduje, dujos per solenoidinį vožtuvą ir jonų generatorius buvo išvalytos, trachėjos dujų šampūnas pučia dujas į butelius per dujų praplovimo angą, pašalina pašalines medžiagas iš dujų plovimo burnos dujų slėgiu, užpakalinės trachėjos išmetamosios dujos patenka į išorę per emisijos kontrolę.

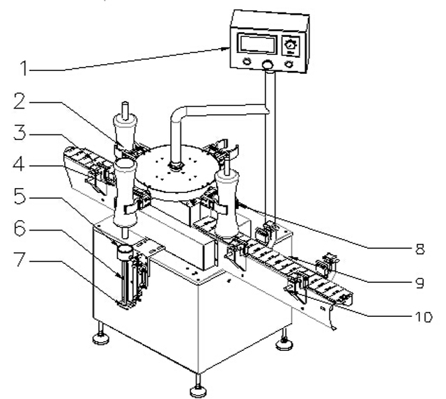
| 1 | Valdymo skydelis | 2 | Buteliai |
| 3 | Diržas maitinimo buteliukams | 4 | Maitinimo iš buteliuko jutiklis |
| 5 | butelių tvirtinimo struktūra | 6 | Skalavimo įpurškimas |
| 7 | Elektrostatinis Tuyere | 8 | Butelių tvirtinimo taškas |
| 9 | Juosta buteliams išvesti | 10 | Gido juosta |
Pagrindinis rotacinio oro plovimo mašinos, skirtos stikliniams buteliams, parametras:

Modelis: VK-BR
Tinka buteliukui: 20-1000 ml
Gamybos pajėgumas: 8 valymo purkštukai: 3600–4800 bph
Oro slėgio diapazonas: 6~8kg/cm2
Oro sąnaudos: 25m3/val
Maitinimas: 220V 50/60Hz
Energijos sąnaudos: 0,75Kw
Vieno įrenginio triukšmas: ≤70dB
Išgrynintas oras: 0,2μm
Valymo laikas: 3-5 s
Grynasis svoris: 350 kg
Bendras matmenys: 1200 x 800 x 1600 mm
Alyvos pildymo mašina, 4 galvučių linijinis užpildas

4 galvučių alyvuogių pildymo mašina, valdoma mikrokompiuteriu, sujungia fotoelektrą su pneumatiniu veikimu, todėl plačiai naudojama žemės ūkio cheminių medžiagų, tirpalų, skystų ploviklių, kosmetikos ir alyvuogių užpildymui.
Užpildymo tūris yra tikslus, neputojantis ir stabilus. Aparatas gali užpildyti skysčio nuo 25 iki 1000 ml, tuo tarpu butelių formoms nėra jokių specialių reikalavimų. Tai reiškia, kad jis gali užpildyti skystį įprastuose buteliuose ir irrugulės formos buteliuose.

Modelis: VK-PF
Užpildymo diapazonas: 50-3000 ml
Pripildymo greitis: <20-30b/m (500-1000ml skysčio)
Tikslumas: ±1 %
Maitinimas / maitinimo galia: 0,8kw、220v
Darbinis slėgis: 5~6kg/cm3
Oro suvartojimas: 0,5-0,7 mpa
ŠV: 500 kg
Išorinis matmenys: 2000×800×1900mm
Pažymėti: Užpildymo purkštukai gali būti suprojektuoti ir pagaminti pagal klientų reikalavimus dėl užpildymo diapazono ir užpildymo greičio
Linijinio vakuuminio uždengimo mašinos Vk-Vc stiklainių kamštelio įranga:
Šią linijinio uždarymo mašiną ištyrė ir sukūrė mūsų įmonė, turinti ilgametę patirtį, ji yra unikali vidaus rinkoje. Integruotas automatinis dangtelių išdėstymas su uždengimu, vakuuminis dangtelis.
Priimtas rankinis vakuuminis siurblys, kad būtų pasiektas didelis vakuumas. Su funkcijomis be buteliuko be dangtelio, kelia nerimą, kai nėra dangtelių. Mėgavosi aukšta automatika. Pagrindinės pneumatinės ir elektrinės dalys yra iš pasaulyje žinomų prekių ženklų.
Su stabiliu ir patikimu veikimu. Jis plačiai naudojamas stikliniams indams su geležiniais dangteliais uždaryti vakuuminiu dangteliu konservų, gėrimų, prieskonių, sveikatos priežiūros produktų ir kt.

Galia: ≤2,3KW (įskaitant vakuuminį siurblį)
Gamybos pajėgumas: 50-60BPM
Dangtelio skersmuo: ¢30-¢55 mm¢50-¢85 mm
Butelio aukštis: 80-250 mm
Butelio skersmuo: ¢30-¢85 mm
Maksimalus vakuumas: -0,08 mpa
Uždengimo sukimas: 5-20 N.M
Oro suvartojimas: 0,6M3/0,7Mpa
Mašinos matmenys: apie 3000 × 1000 × 1900 mm
Svoris: apie 850 kg
Vk-Rpl apvalių butelių stiklainių ženklinimo mašina

Taikymas: Reikalauti, kad membranos paviršius būtų pritvirtintas prie etiketės arba gaminio.
Pramonė: Plačiai naudojamas maisto, medicinos, kosmetikos, kosmetikos, elektronikos, metalo, plastiko ir kitose pramonės šakose.
Taikymas: PET apvalių butelių ženklinimas, plastikinių butelių, konservuotų maisto produktų ženklinimas ir pan.

Tinkamas etiketės ilgis (mm): 20mm ~ 314mm
Taikomas etiketės plotis (pagrindinio popieriaus plotis / mm): 15 mm ~ 150 mm
Taikomų gaminių skersmuo (apvaliam buteliui) ir aukštis: skersmuo: φ25mm ~ φ100mm
Aukštis: 25mm ~ 230mm
Taikomas standartinis ritinio skersmuo (mm): φ280mm
Taikomas standartinis ritinio skersmuo (mm): φ76 mm
Ženklinimo tikslumas (mm): ± 1mm
Standartinis greitis (m / min): Servo: 5 ~ 25 m/min Žingsnis: 5 ~ 19 m/min
Etikečių klijavimo greitis (vnt./min): Žingsnis: 30 ~ 80 vnt/min (su buteliuku ir etiketės dydžiu)
Servo: 40 ~ 120 vnt/min
Konvejerio greitis (m/min): 5 ~ 25m/min
Svoris (kg): apie 185 kg
Dažnis (HZ): 50HZ Įtampa (V): 220V
Galia (W): 530 W (traukos žingsninis) 980 W (traukos servo)
Įrenginio matmenys (mm) (ilgis × P × A): 1950 × 1100 × 1300 mm


Medinio dėklo pakavimas:

Pripildymo linijos aptarnavimas po pardavimo

Garantuojame pagrindinių dalių kokybę per 12 mėnesių. Jei pagrindinės dalys suges be dirbtinių veiksnių per vienerius metus, mes jas nemokamai pateiksime arba prižiūrėsime už jus. Po vienerių metų, jei jums reikės keisti dalis, mes maloniai suteiksime jums geriausią kainą arba prižiūrėsime ją jūsų svetainėje. Jei turite techninių klausimų dėl jo naudojimo, mes stengsimės jus palaikyti.
Kokybės garantija:
Gamintojas garantuoja, kad prekės yra pagamintos iš geriausių gamintojo medžiagų, aukščiausios kokybės, visiškai naujos, nenaudotos ir visais atžvilgiais atitinka kokybę, specifikacijas ir eksploatacines savybes, kaip numatyta šioje sutartyje. Kokybės garantijos laikotarpis yra per 12 mėnesių nuo B/L datos.
Gamintojas kokybės garantijos laikotarpiu sutartines mašinas remontuotų nemokamai.
Jei gedimas gali atsirasti dėl Pirkėjo netinkamo naudojimo ar kitų priežasčių, gamintojas apmoka remonto dalių išlaidas.
Diegimas ir derinimas:
Pardavėjas išsiųstų savo inžinierius, kad jie nurodytų diegimą ir derinimą. Išlaidas padengtų pirkėjas (lėktuvų bilietai į abi puses, apgyvendinimo mokesčiai pirkėjo šalyje). Pirkėjas turėtų padėti savo svetainėje įdiegti ir derinti.









